货期: 请点击注册为会员后查看
规格:
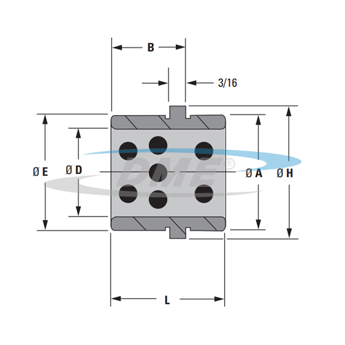
Shoulder Bushings——GBE
导套-GBE 产品目录下载 产品3D图下载
产品目录下载
产品3D图下载
镀铜中托司导套采用高强度钢材制作而成,并经过抗磨镀铜处理。内油槽和润滑油孔可使模具的运转更加流畅。 安装建议: — 安装至少四个导柱和导套。 — 根据模具尺寸来确定导柱和导套的尺寸。 — 在生产过程中,利用顶出导向系统来防止模具出现磨损和严重破损不失为一种经济的方法。
镀铜中托司导套采用高强度钢材制作而成,并经过抗磨镀铜处理。内油槽和润滑油孔可使模具的运转更加流畅。
安装建议:
— 安装至少四个导柱和导套。
— 根据模具尺寸来确定导柱和导套的尺寸。
— 在生产过程中,利用顶出导向系统来防止模具出现磨损和严重破损不失为一种经济的方法。