首页
>
标准件
>
顶针和司筒
>
阶梯顶针(亚标)
>
JEDJN(亚标)
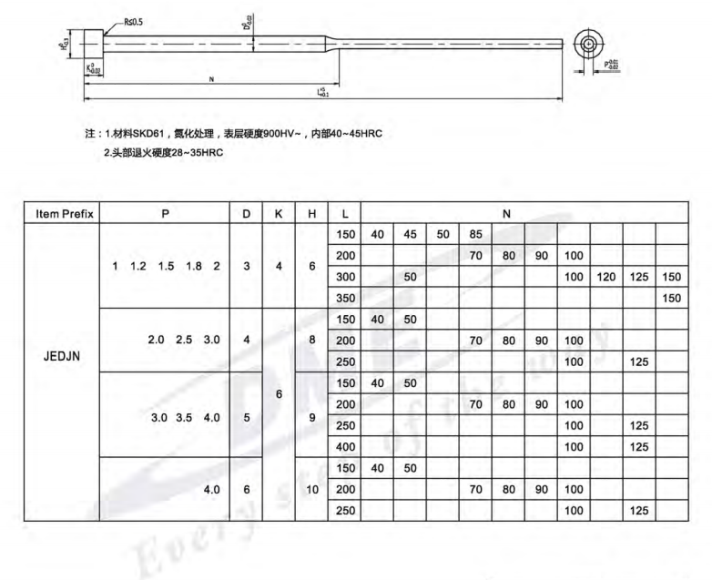
阶梯顶针/托针-JEDJN-SKD61-氮化-亚标
JEDJN(亚标)
价格(未税):
请点击注册为会员后查看
库存:
货期:
请点击注册为会员后查看
规格:
规格:
请点击注册为会员后查看
数量:
-
+
图文详情
商品评论(0)
发表评论
JIS NITRIDED —— JEDJN
阶梯顶针-JEDJN
对不起,暂无评价!