行位止扣-PSR-圆形-美标
PSR(美标)

库存:
规格:

规格:

数量:
-
+

Slide Retainers – PSR

行位止扣-PSR

产品目录下载

产品3D图下载




产品简介:

SmartLock行为止扣与限位开关设计用于注塑模具,采用独特的组件对滑块位置进行切换和止动,成型制品脱模时,SPDT开关同时动作,SmartLock的锁定功能将防止滑块提前运动。
SmartLock行为止扣与限位开关经过一千万次无故障循环试验,具有非常高的可靠性,大型模具或多滑块模具可以使用两个或多个开关,在模具中安装SmartLock行位止扣与限位开关,可以提高安全性并防止模具损坏。


产品特点:
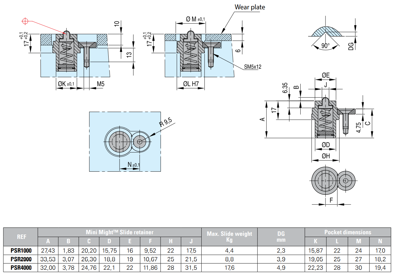
— 三种规格,额定承载力分别是10、20和40 lbs。
— 尺寸小、承载大。
— 产品设计易于安装。
— 无需从模具中拆卸行位止扣即可拆卸滑块。
— 自锁式设计。
— 线接触咬合。















对不起,暂无评价!