货期: 请点击注册为会员后查看
规格:
INCH Ejector Sleeves —— S 直司筒-S 产品目录下载 产品3D图下载
INCH Ejector Sleeves —— S
直司筒-S
产品目录下载
产品3D图下载
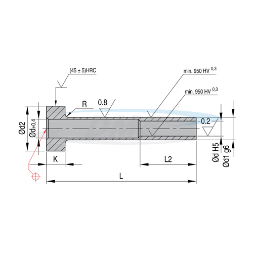
产品优势: — 采用优质耐高温高强度的模具钢材精密制作而成。 — 高温锻造的头部可确保均匀的流体流向和高抗拉强度。 — 经氮化和调整后的外径强度可达65-74HRC,能最大限度减少磨损。 — 外径经过无心磨削和抛光。 — 经精密研磨的线模内径强度可达30-35HRC。 — 精确校正导入锥度可确保顶针顺利地进入司筒。
产品优势:
— 采用优质耐高温高强度的模具钢材精密制作而成。
— 高温锻造的头部可确保均匀的流体流向和高抗拉强度。
— 经氮化和调整后的外径强度可达65-74HRC,能最大限度减少磨损。
— 外径经过无心磨削和抛光。
— 经精密研磨的线模内径强度可达30-35HRC。
— 精确校正导入锥度可确保顶针顺利地进入司筒。