货期: 请点击注册为会员后查看
规格:
Side Interlocks – BGGL 线锁-BGGL 产品目录下载 产品3D图下载
Side Interlocks – BGGL
线锁-BGGL
产品目录下载
产品3D图下载
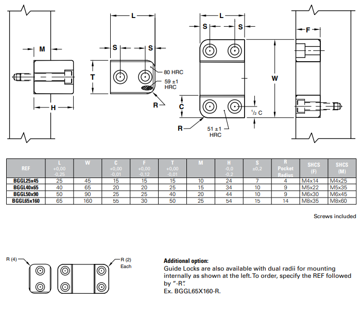
产品优势: DME镀钛边锁具有业内领先的互换性,凭借精密制造和精准公差,每个DME模具边锁部件均可以单独更换,不需拆除整个部件。 DME边锁具有以下特点: — 自动将模具与边锁腔体和芯体对齐。 安装: — 每个模具安装四个边锁(一边一个)。 — 在模具每边的中心线上安装边锁,以消除热膨胀。
产品优势:
DME镀钛边锁具有业内领先的互换性,凭借精密制造和精准公差,每个DME模具边锁部件均可以单独更换,不需拆除整个部件。
DME边锁具有以下特点:
— 自动将模具与边锁腔体和芯体对齐。
安装:
— 每个模具安装四个边锁(一边一个)。
— 在模具每边的中心线上安装边锁,以消除热膨胀。