货期: 请点击注册为会员后查看
规格:
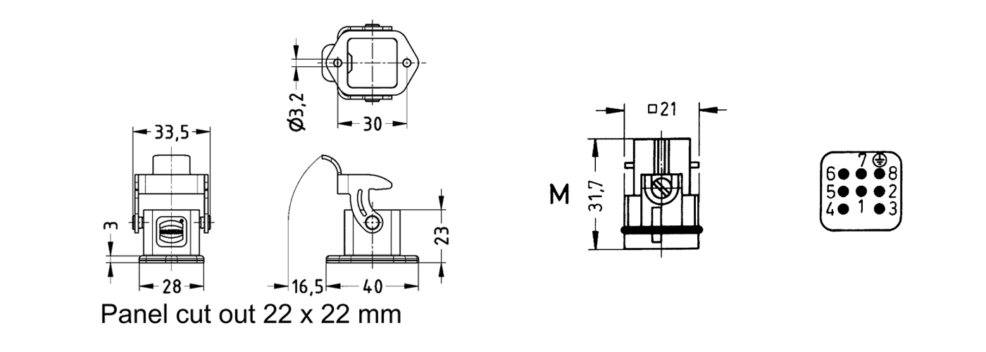
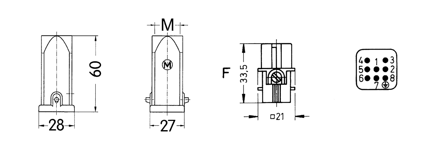
Mold Thermocouple Connectors 插座——HARTING标准
Mold Thermocouple Connectors
插座——HARTING标准