货期: 请点击注册为会员后查看
规格:
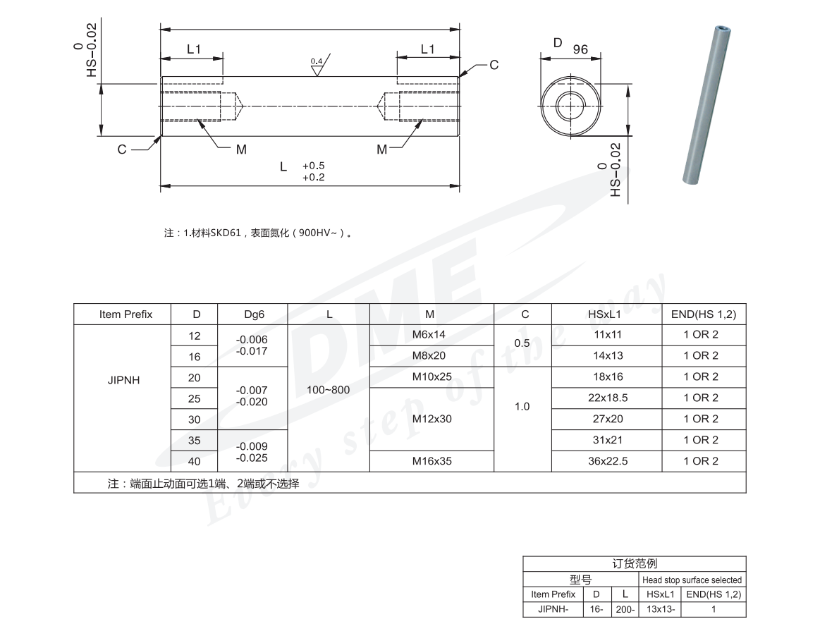
ANGLE PIN METRIC——JIPNH 斜导柱-JIPNH
ANGLE PIN METRIC——JIPNH
斜导柱-JIPNH
产品特点: 1.材料SKD61,表面氮化(900HV~)。
产品特点:
1.材料SKD61,表面氮化(900HV~)。